Zum Hauptinhalt springen Zur Suche springen Zur Hauptnavigation springen

MFV systeQ-M-SLM-KIGA-ESC1 DH=1050/1570 Fkt.B D34 U6x24x1770 L

Fluchttürschlosssystem
systeQ-M-SLM-KIGA-ESC
bestehend aus:

  • Mehrfachverriegelung mit Fallenriegeln, mit Motor
  • Schließblech Hauptschloss (verstellbar)
  • Fallenhalter
  • ISO Platte Schließblech Hauptschloss (einwärts/auswärts)
  • Schließblech Nebenschloss
  • Magnetkontaktset Schließblech Nebenschloss
  • ISO-Platte Schließblech Nebenschloss (auswärts)
  • Magnet Motor
  • Anschlusskabel Überwachungskontakte Schloss (nur bei Variante ÜW)

Die Überwachungskontakte (ÜW) sind im Schloss integriert.
(Anschlusskabel mit Stecker l = 10 m, Kabel d = 5 mm)

Die angegebenen Flügelhöhen sind Empfehlungen und abhängig vom verwendeten Profilsystem.
Bei FAH > 2400 mm (Fluchttürschlosspaket = min. FAH 1970 mm)
+ Paket Stulpverlängerung (SVL) verwenden.

Separat zu bestellen:
Anschlusskabel Motor (siehe Allgemeines Zubehör systeQ-M, Anschlusskabel)
Stößelkontakt bzw. Kabelübergang

Achtung! Bei einwärts öffnenden Türen kann nur die Norm EN 179 erfüllt werden. Für den Einsatz ist eine Zustimmung der zuständigen Baubehörde erforderlich!

Detaillierte Informationen zu Paketkomponenten, siehe "Allgemeine Informationen".

ME               Grt.
Funktion     B


Herstellerinformation: Esco, Dieselstr. , 2, 71254 Ditzingen, E-Mail: info@esco-online.de

Eigenschaften

Preisgruppe: 266B
Anzahl Türflügel: 1
Bestelleinheit: STÜCK
DIN: DIN links
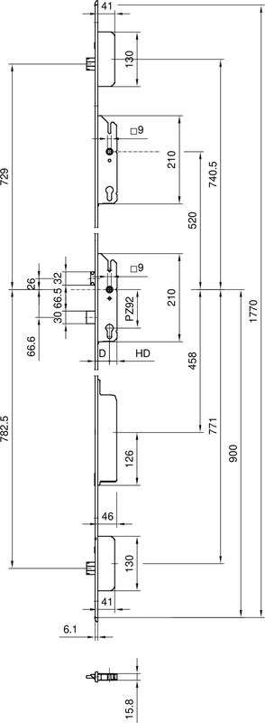
Dornmaß: 34
Drückerhöhe: 1050
Drückernuss Vierkant: 9
Eignung nach DIN 4102:
Eignung nach DIN EN 1634:
Entfernung: 92
Entriegelung: motorisch
Fallen Position: Falle bündig
Fallenfeststellung: ohne Fallenfeststellung
Knotenname: Mehrfachverriegelungen
Riegel Ausführung: Standardriegel
Riegel Position: Riegel bündig
Schlossfunktion: Panik Umschaltfunktion B
Schlüssellochung: Profilzylinder
Stulpausführung: U-Stulp
Stulpbreite: 24
Stulplänge: 1770
Stulpstärke: 6
Türhöhe: Standard
auswärts öffnend:
Im Blätterkatalog ansehen

0 von 0 Bewertungen

Durchschnittliche Bewertung von 0 von 5 Sternen

Bewerten Sie dieses Produkt!

Teilen Sie Ihre Erfahrungen mit anderen Kunden.