Zum Hauptinhalt springen Zur Suche springen Zur Hauptnavigation springen

Q FG81.SG100.ER.RAL9005 24/31+36/42M5x50 005 schwarz beschichtet RAL9005, 100 Nm

greenteQ Fenstergriff abschließbar aus Edelstahl für Holz- und Kunststoff-Fenster mit 100 Nm Verdrehwiderstand, zertifiziert nach DIN EN 13126-3:2023, erfüllt die Anforderungen nach DIN EN 1627-1630 RC1-6.

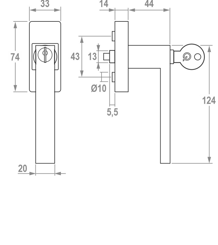
Der greenteQ Fenstergriff FG81.SG100.ER besteht aus robustem Edelstahl und ist speziell für Fenster konzipiert, die nach innen öffnen. Er bietet einen Verdrehwiderstand von 100 Nm zertifiziert gemäß DIN EN 13126-3:2023 | H3/180 | 0 | 4 | 0 | 2 | 3 | C1 | 1 | und erfüllt zudem die Anforderungen nach DIN EN 1627-1630 RC1-6. Der Fenstergriff ist abschließbar mit Druckzylinder im Griffteil, gleichschließend mit zwei Schlüssel, hat eine 90°-Rastung und wird verdeckt verschraubt. Zum Lieferumfang gehören zwei Schrauben M5 x 50 sowie zwei Vierkantstifte, die für vorstehende Stiftlängen von 24/31 mm und 36/42 mm geeignet sind.

Zubehör:

  • Nocken-Aufsteckring 10/12 mm 397 414 0000
  • Ersatzschlüssel 217 274 6256

Technische Daten:

  • Material: Edelstahl V2A
  • Farbbezeichung: Edelstahl schwarz matt RAL9005
  • Abschließbar: mit Druckzylinder
  • Klassifiziert nach DIN EN 13126-3:2023: | H3/180 | 0 | 4 | 0 | 2 | 3 | C1 | 1 |
  • Anforderungen nach DIN EN 1627-1630: RC1-6
  • Verdrehwiderstand: 100 Nm
  • Vierkantstifte 7 mm (lose) für Stiftlänge vorstehend 24/31 + 36/42 mm
  • Rastung: 90°
  • Rosettenmaße: 33 x 74 x 14 mm
  • Nocken-Ø: 10 mm
  • Schrauben: inkl. 2 Stück M5 x 50
  • Verpackungseinheit: 1 Stück / 30 Stück

Herstellerinformation: VBH Holding GmbH, Siemensstr. 38, , DE 70825 Korntal-Münchingen, E-Mail: info@vbh.de

Eigenschaften

Preisgruppe: 942N
Bestelleinheit: STÜCK

0 von 0 Bewertungen

Durchschnittliche Bewertung von 0 von 5 Sternen

Bewerten Sie dieses Produkt!

Teilen Sie Ihre Erfahrungen mit anderen Kunden.