Sicherheits-Türöffner Mod. 143R 12-24V AC/DC eE, m. RmK, L/R
803836
/ Herstellernummer: 143R--------Q34
Ihr Preis: 0,00 €*
Listen-Preis: 512,23 €*
Ihr indiv. Preis konnte aktuell nicht geladen werden. Bitte wenden Sie sich an uns.
Sicherheits-Türöffner Mod. 143R 12-24V AC/DC eE, m. RmK, L/R
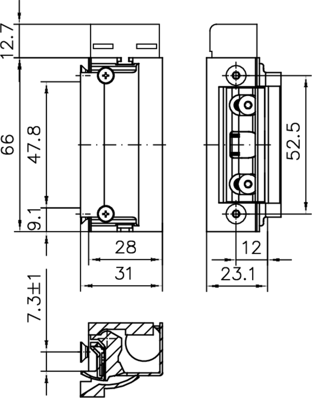
Modell 143 Elektrischer Türöffner
mit Radiusfalle
Druckfestigkeit gegen Aufbruch 10.000 N, FaFix-Ausführung, ohne Schließblech, Montage senkrecht oder waagerecht, mit Diode, Anschlussblock umsteckbar
Herstellerinformation: ASSA ABLOY, , , , E-Mail: albstadt@assaabloy.com
mit Radiusfalle
Druckfestigkeit gegen Aufbruch 10.000 N, FaFix-Ausführung, ohne Schließblech, Montage senkrecht oder waagerecht, mit Diode, Anschlussblock umsteckbar
Herstellerinformation: ASSA ABLOY, , , , E-Mail: albstadt@assaabloy.com
Eigenschaften
| Preisgruppe: | 240B |
|---|---|
| Ausführung: | 143R, ohne Schließblech |
| Basis: | FH-Türöffner |
| Bauform: | asymmetrisch |
| Befestigungsart: | zum Einlassen |
| Bestelleinheit: | STÜCK |
| DIN: | L+R |
| DIN-Richtung: | DIN Links |
| Einbaulage: | senkrecht, waagerecht |
| Einsatzbereich: | Türrahmen |
| Einschaltdauer: | 100% |
| Entriegelung: | ohne |
| Ergänzung: | mit Diode, mit Rückmeldekontakt, mit elektrischer Dauerentriegelung, mit verstellbarer Falle |
| Funktion: | Arbeitsstrom |
| Knotenname: | E-Öffner |
| Kompatibel: | zu Standard Schließblech |
| Norm: | DIN EN 14846, EN 14846, VdS B |
| Rahmenwerkstoff: | Aluminium, Holz, Kunststoff |
| Rückmeldekontakt: | ja |
| Spannung: | 12-24 V AC/DC |
| Spannungsart: | AC/DC |
| Stromanschluss: | klemmbar, steckbar |
| Türart: | Abschlusstür |
| Türausprägung: | Türe gefälzt, Türe stumpf |
| Türflügelanzahl: | einflügelig |
| Vorlastentriegelung: | 400/800 N wählbar |
| Zulassung: | für Feuerschutz |
Anmelden