FT-GK BKS B 2390 D65 F3x24x235, f.GF R
251100
/ Herstellernummer: B23900202
Ihr Preis: 0,00 €*
Listen-Preis: 342,25 €*
Ihr indiv. Preis konnte aktuell nicht geladen werden. Bitte wenden Sie sich an uns.
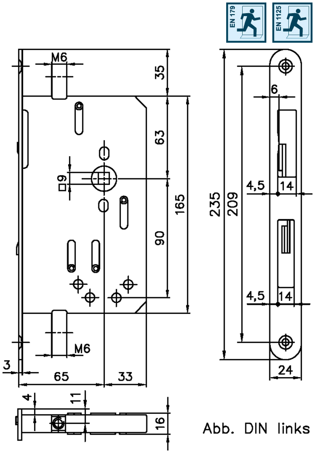
FT-GK BKS B 2390 D65 F3x24x235, f.GF R
BKS 2390 Panik-Treibriegelschloss
für 2-flgl. Feuerschutztüren, für unter Federdruck stehende Treibriegelstangen, für automatische Verriegelung des Standflügels
in Funktionseinheit mit Schaltschloss BKS 1895, Auslösehebel 2 mm vorstehend
Hinweis:
• Diese Schlösser können mit gemeinsam zugelassenen Beschlägen
nach EN 179 bzw. EN 1125, je nach Ausführung, kombiniert werden.
• Passendes Zubehör, Stangen und Schaltschlösser, siehe Kapitel 2.020.
Herstellerinformation: BKS, Heidestr., 71, 42549 Velbert, E-Mail: info@bks.de
Eigenschaften
| Preisgruppe: | 220B |
|---|---|
| Ausführung: | für automatische Verriegelung |
| Basis: | Panik-Treibriegelschloss |
| Bestelleinheit: | STÜCK |
| DIN-Richtung: | DIN Links |
| Dornmaß: | 65 |
| Drückernuss: | einteilig |
| Einsatzbereich: | Objekttür |
| Einzelteilmaterial Drückernuss: | Stahl |
| Einzelteilmaterial Schlosskasten: | Stahl |
| Einzelteilmaterial Stulp: | Edelstahl |
| Farbton Stulp: | edelstahl |
| Funktion: | Panikfunktion |
| Knotenname: | Fluchttürgegenkästen |
| Norm: | DIN 18250, DIN EN 179, DIN EN 1125 |
| Oberfläche Schlosskasten: | verzinkt |
| Oberfläche Stulp: | matt |
| Schlosskasten: | geschlossen |
| Stulpausführung: | rund |
| Stulpbreite: | 24 |
| Stulpeigenschaft: | beidseitig überstehend |
| Stulpform: | Flachstulp |
| Stulpstärke: | 3 |
| Türart: | Feuerschutztür, Fluchtwegtür, Paniktür, Rauchschutztür |
| Türausprägung: | Türe stumpf |
| Türflügelanzahl: | zweiflügelig |
| Türwerkstoff: | Holz, Stahl |
Anmelden