FT-GK BKS B 1890 D30 F3x24x270,L/R
602876
/ Herstellernummer: B-18900-00-0-8
Ihr Preis: #ESCOCUSTOMERPRICE#602876#*
Listen-Preis: 307,02 €*
Ihr indiv. Preis konnte aktuell nicht geladen werden. Bitte wenden Sie sich an uns.
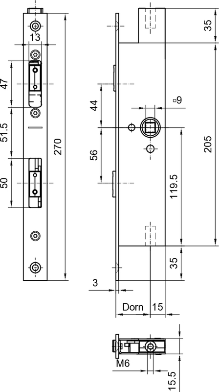
FT-GK BKS B 1890 D30 F3x24x270,L/R
Herstellerinformation: BKS, Heidestr., 71, 42549 Velbert, E-Mail: info@bks.de
Eigenschaften
| Preisgruppe: | 270B |
|---|---|
| Ausführung: | für automatische Verriegelung |
| Basis: | Panik-Treibriegelschloss |
| Bestelleinheit: | STÜCK |
| DIN-Richtung: | DIN Links-Rechts |
| Dornmaß: | 30 |
| Drückernuss: | Spezialnuss |
| Einsatzbereich: | Objekttür |
| Einzelteilmaterial Drückernuss: | Stahl |
| Einzelteilmaterial Schlosskasten: | Stahl |
| Einzelteilmaterial Stulp: | Edelstahl |
| Farbton Stulp: | edelstahl |
| Funktion: | Panikfunktion |
| Norm: | DIN 18250, DIN EN 179, DIN EN 1125 |
| Oberfläche Schlosskasten: | verzinkt |
| Oberfläche Stulp: | matt |
| Schlosskasten: | vorgerichtet für Treibriegelstange |
| Stulpausführung: | kantig |
| Stulpbreite: | 24 |
| Stulpeigenschaft: | beidseitig überstehend |
| Stulpform: | Flachstulp |
| Stulpstärke: | 3 |
| Türart: | Feuerschutztür, Fluchtwegtür, Paniktür, Rauchschutztür, Rohrrahmentür |
| Türausprägung: | Türe stumpf |
| Türflügelanzahl: | zweiflügelig |
| Türwerkstoff: | Aluminium, Stahl |
Anmelden